
Stm8s103f3p6 është një mikrokontrollues 8-bitësh i prodhuar nga Stmicroelectronic, i njohur për funksionalitetin e tij mbresëlënës dhe integrimin e qetë.Kjo pajisje kompakte është e pajisur me një stil montimi të pajisur me sipërfaqe (SMD), duke mishëruar një bërthamë të përparuar dhe periferikësh që prodhohen me përpikëri duke përdorur teknologjinë e përparme.Me një frekuencë orësh prej 16 MHz, STM8S103F3P6 krenohet me një aftësi të fortë I/O, duke siguruar përpunimin dhe trajtimin efikas të të dhënave.Koha e tij e pavarur e rojes, e pajisur me një sistem të pavarur të burimit të orës dhe sistemit të sigurisë së orës, garanton performancën optimale të pajisjes dhe rezistencën ndaj ndërprerjeve të mundshme.
Një nga karakteristikat e tij të shquar është memorja e saj flash, e cila siguron ruajtje jo të paqëndrueshme për kodin dhe të dhënat.Me një gamë të tensionit operativ që përfshin nga 2.95 V në 5.5 V, ky mikrokontrollues është shumë i gjithanshëm dhe i adaptueshëm për aplikacione të ndryshme.Për më tepër, ajo ofron një gamë të gjerë të temperaturës operative prej -40 ° C deri 85 ° C, duke e bërë atë të përshtatshme për vendosjen në kushte të ndryshme mjedisore.
• MSP430G2353
• PIC16LF18444T


Konsumi i ulët i energjisë: Ka një shumëllojshmëri të mënyrave të konsumit të ulët të energjisë për të zgjedhur, duke përfshirë modalitetin boshe, mënyrën e gjumit, mënyrën e thellë të gjumit dhe modalitetin e fikjes, të cilat mund të zgjasin në mënyrë efektive jetën e baterisë dhe të kursejnë energji.
Performanca e lartë: Ai miraton arkitekturën thelbësore të performancës së lartë STM8, e cila lejon që frekuenca e funksionimit të jetë aq e lartë sa 16MHz, e cila përmirëson shumë shpejtësinë e ekzekutimit të udhëzimeve dhe siguron aftësi informatike më efikase për aplikacionet tona.
Ndërfaqe të shumta të komunikimit: Ai mbështet një shumëllojshmëri të ndërfaqeve të komunikimit, përfshirë SPI (ndërfaqe serike periferike), I2C dhe UART.Përmes këtyre ndërfaqeve, ai lehtë mund të komunikojë dhe bashkëveprojë me pajisjet e jashtme për të arritur më shumë funksione dhe aplikacione.
Periferikët e bollshëm: Mikrokontrolluesi STM8S103F3P6 ka burime të bollshme periferike, duke përfshirë 16kb memorie flash dhe 1kb memorje RAM, si dhe ndërfaqe të përdorura zakonisht siç janë kunjat GPIO, timerët dhe UART.Diversiteti i këtyre periferikëve e bën pajisjen të përshtatshme për skenarë të ndryshëm aplikimi dhe mund të plotësojë nevojat e fushave dhe industrive të ndryshme.Pavarësisht nëse është kontrolli industrial, shtëpia e zgjuar ose sistemet e ngulitura, STM8S103F3P6 mund të sigurojë mbështetje.

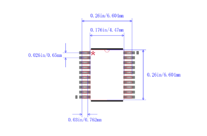
STM8S103F3P6 është paketuar në një paketë të hollë të hollë të skicuar (TSSOP) dhe ka 20 kunja.Hapësira e trupit dhe plumbit janë më të vogla se paketat standarde të Soic.Një tipar tipik i TSSOP është formimi i kunjave rreth çipit të paketuar, gjë që e bën atë të përshtatshme për montimin e instalimeve elektrike në PCB duke përdorur teknologjinë SMT.Kur përdorni paketën TSSOP, parametrat parazitarë (shqetësimi i tensionit të daljes të shkaktuar nga ndryshimet e mëdha në rrymë) janë më të vogla, kështu që është i përshtatshëm për aplikime me frekuencë të lartë.Kjo lloj pakete është më e përshtatshme për të operuar dhe ka besueshmëri më të lartë.
Paketa TSSOP ka karakteristikat e mëposhtme:
• Hapësira e vogël e pinit: Hapësira e pinit është përgjithësisht 0.5 mm ose 0.65 mm.Përmes hartimit të shufrave të bakrit të bordit të qarkut, më shumë pajisje mund të vendosen në tabelën e qarkut me të njëjtën zonë dhe madhësi.
• Shtrirja e gjerë e aplikimit: Mund të aplikohet në fusha të ndryshme aplikimi siç janë mikrokontrolluesit, DSP -të, patate të skuqura memorie dhe patate të skuqura me energji elektrike.
• Numërimi i lartë i pinit: Numri i kunjave është përgjithësisht rreth 20 deri në 64, të cilat mund të plotësojnë kërkesa të caktuara të integrimit të çipave.
• Madhësia e vogël e paketës: Krahasuar me paketat e zakonshme të vogla të skicës (SO), madhësia e paketës së tij është më e vogël, trashësia është më e hollë, dhe vëllimi është më i vogël, duke e bërë atë të përshtatshme për paketimin e qarqeve të integruara me densitet të lartë.
• Performanca e lartë: Ai miraton teknologjinë e montimit të sipërfaqes, ka përçueshmëri të mirë dhe rezistencë ndaj korrozionit, dhe mund të përmbushë kërkesa të veçanta siç janë shpejtësia e lartë, frekuenca e lartë, miniaturizimi etj.
Nëse nuk specifikohet ndryshe, të gjitha voltazhet i referohen VSS.
Vlerat minimale dhe maksimale janë të garantuara në kushtet më të pafavorshme, duke përfshirë temperaturën e ambientit, tensionin e furnizimit dhe frekuencat.Këto garanci përcaktohen përmes testeve rigoroze të prodhimit të kryera në 100% të pajisjeve, të kryera në një temperaturë ambienti prej Ta = 25 ° C dhe TA = TAMAX (siç përcaktohet nga diapazoni i zgjedhur i temperaturës).
Vlerat e bazuara në rezultatet e karakterizimit, simulimet e projektimit dhe/ose karakteristikat teknologjike përshkruhen në shënimet e tabelës dhe nuk kanë pësuar testimin e prodhimit.Sa i përket karakterizimit, vlerat minimale dhe maksimale kanë të bëjnë me vlerësimet e mostrës dhe nënkuptojnë vlerën mesatare me një gamë të plus ose minus tre herë devijimin standard (mesatarja ± 3σ).
Nëse nuk përcaktohen në mënyrë të qartë, të dhënat standarde vendosen me TA = 25 ° C, VDD = 5 V. Këto vlera janë dhënë vetëm si referenca të projektimit dhe nuk kanë pësuar testime.
Saktësia tipike e vlerave ADC është vendosur përmes karakterizimit të një grupi të mostrave nga një pjesë standarde difuzioni në të gjithë intervalin e plotë të temperaturës.Në këtë kontekst, 95% e pajisjeve shfaqin një gabim brenda vlerës së specifikuar (mesatarja ± 2σ).
Në qoftë se nuk tregohet posaçërisht, të gjithë grafikët standarde janë menduar vetëm si referenca të projektimit dhe nuk i nënshtrohen testimit.
Tejkalimi i vlerësimeve maksimale absolute të specifikuara mund të rezultojë në dëmtim të përhershëm të pajisjes.Këto vlerësime tregojnë vetëm kufijtë e stresit që pajisja mund të durojë, dhe nuk nënkuptohet që pajisja do të funksionojë siç duhet në këto kushte.Ekspozimi ndaj kushteve në ose afër vlerësimeve maksimale mund të ndikojë negativisht në besueshmërinë e pajisjes.
Profili i misionit të pajisjes, i cili përshkruan kushtet e tij të aplikimit, i përmbahet standardit të kualifikimit JEDEC JESD47, me profile të zgjatura të misionit të disponueshme sipas kërkesës.
Për të arritur stabilitetin për rregullatorin parësor, një kondensator i jashtëm i etiketuar CEXT duhet të lidhet me PIN VCAP.Shtë thelbësore të sigurohet që induksioni i serisë të mbetet nën 15 NH.
Konsumi aktual matet siç ilustrohet në foton e mëposhtme.

Konsumi total i rrymës së furnizimit në modalitetin e ekzekutimit
MCU vendoset në kushtet e mëposhtme:
• Të gjithë periferikët janë me aftësi të kufizuara (ora e ndaluar nga regjistrat e portave të orës periferike) përveç nëse përmendet në mënyrë të qartë.
• Të gjitha kunjat I/O në modalitetin e hyrjes me një vlerë statike në VDD ose VSS (pa ngarkesë)
Në varësi të kushteve të përgjithshme të funksionimit për VDD dhe TA.

STM8S103F3P6 ka 20 kunja, emrat dhe funksionet e tij janë si më poshtë:
Pin1 (pd4/ beep/ tim2_ ch1/ uart1 _ck): porti d4
Pin2 (pd5/ ain5/ uart1 _tx): porti d5
Pin3 (pd6/ ain6/ uart1 _rx): porti d6
Pin4 (NRST): Rivendosni
Pin5 (PA1/Oscin): Porti A1
Pin6 (PA2/Oscout): Porti A2
Pin7 (vss): tokë dixhitale
Pin8 (VCAP): 1.8 V Kondensator i Rregullatorit
PIN9 (VDD): Furnizimi me energji dixhitale
Pin10 (PA3/ TIM2_ CH3 [SPI_ NSS]): Porti A3
Pin11 (pb5/ i2c_ sda [tim1_ bkin]): porti b5
Pin12 (pb4/ i2c_ scl): porti b4
Pin13 (PC3/ TIM1_CH3 [TLI] [TIM1_ CH1N]): Porti C3
Pin14 (pc4/ clk_cco/ tim1_ ch4/ ain2/ [tim1_ ch2n]): porti c4
PIN15 (PC5/ SPI_SCK [TIM2_ CH1]): Porti C5
Pin16 (PC6/ SPI_MOSI [TIM1_ CH1]): Porti C6
Pin17 (PC7/ SPI_MISO [TIM1_ CH2]): Porti C7
PIN18 (PD1/ SWIM): Porti D1
Pin19 (pd2/ ain3/ [tim2_ ch3]): porti d2
PIN20 (PD3/ AIN4/ TIM2_ CH2/ ADC_ ETR): Porti D3
Siç tregohet në figurën e mësipërme, çipi STM8S103F3P6 ka deri në 16 kunja I/O, të cilat mund të përdoren për një larmi qëllimesh, të tilla si GPIO, ndërfaqet periferike, ADC, etj. Kunjat e tij I/O janë dypalëshe dhe mund të jenëPërdoret si kunja hyrëse për të lexuar sinjale të jashtme ose si kunja dalëse për të dërguar sinjale në pajisjet e jashtme.Për më tepër, secilit PIN I/O mund të caktohet në mënyrë të pavarur një vektor ndërprerje për të lehtësuar përpunimin e saktë të ndërprerjeve kur ato ndodhin.
• Sistemet e automatizimit: Ky mikrokontrollues mund të përdoret në sistemet e automatizimit siç janë perdet elektrike, sistemet e kontrollit të hyrjes, kontrolli i temperaturës dhe kontrolli i ndriçimit.
• Aplikimi IoT (Internet of Things): Nëse duhet të zhvillojmë pajisje IoT, mund të përdoret si një kontrollues për nyjet IoT për të lidhur dhe kontrolluar sensorë të ndryshëm dhe module të komunikimit.
• Pajisjet elektronike personale: Përdoren në kamerat dixhitale, Lojtarët MP3 dhe MP4, tastierat elektronike të lojërave, etj.
• Pajisjet elektronike: Përdoret për të zhvilluar pajisje të ndryshme elektronike
, siç janë lodrat elektronike, kontrollet e largëta, mini kalkulatorët, etj.
• Fusha industriale: Përdoret në PLC, kontrolluesit industrialë, automatizimi i procesit dhe pajisjet e kontrollit automatik të anijeve, etj.
• Blerja e të dhënave dhe ndërfaqja e sensorit: Përdoret për të monitoruar kushtet e mjedisit dhe për të mbledhur të dhëna ose për të lidhur sensorë të ndryshëm si sensorë të dritës, sensorë të temperaturës dhe sensorë të lagështisë.
• Sistemi i kontrollit të ngulitur: Përdoret për të hartuar sisteme të ndryshme të kontrollit të ngulitur, siç janë pajisjet shtëpiake, pajisjet industriale, mjetet e energjisë, etj. Fuqia e tij e përpunimit 8-bit është e mjaftueshme për shumë detyra të thjeshta kontrolli.
STM8S103F3P6 është një çip mikrokontrollues i zhvilluar nga stmicroelectronic.I përket familjes STM8 të mikrokontrolluesve 8-bitësh dhe përdoret gjerësisht në sisteme të ndryshme të ngulitura dhe aplikacione IoT.
Njësia e mikrokontrolluesit STM8S103F3P6 ka 640 bit ROM, 10-bit 5-kanale ADC, 1KB RAM dhe me një madhësi të kujtesës së programit prej 8KB.
Ne mund të zëvendësojmë STM8S103F3P6 me MSP430G2353, PIC16LF18444T, STM8S103F3P3, STM8S103F3P3TR ose STM8S103F3P6TR.
Po, STM8S103F3P6 është projektuar me karakteristika me fuqi të ulët dhe mund të përdoret në aplikacione me bateri ose me fuqi të ulët, ku efikasiteti i energjisë është thelbësor.
Disa karakteristika kryesore të STM8S103F3P6 përfshijnë kunjat GPIO (Input me Qëllim të Përgjithshëm), Komunikimin UART (Marrësi/Transmetues Universal Asinkron), komunikim I2C (Qark i Integruar i Integruar), Komunikim SPI (Serial Peripheral Interface), TIMERS, dhe më shumë.
RRETH NESH
Kënaqësia e klientit çdo herë.Besimi i ndërsjellë dhe interesat e përbashkëta.
Specifikimet teknike të qelizës së monedhës litium CR2354
2024-08-02
Udhëzues gjithëpërfshirës për mikrokontrolluesin ATMEGA328-PU
2024-08-02
Dërgojani: Info@ariat-tech.comHK TEL: +852 30501966ADD: Rm 2703 27F Ho King Comm Center 2-16,
Fa Yuen St MongKok Kowloon, Hong Kong.